常見問題
更多>>

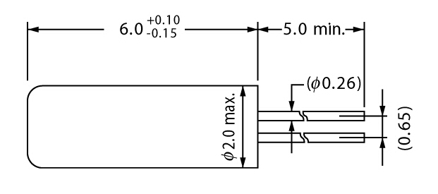
精工VT-200-FL,石英晶振,32.768K圓柱晶振,32.768K時鐘晶體具有小型,薄型,輕型的插件表面音叉型石英晶體諧振器,精工晶振,精工品質,產品具有優良的耐熱性,耐環境特性,可發揮晶振優良的電氣特性,符合RoHS規定,滿足無鉛焊接的高溫回流溫度曲線要求,金屬外殼的封裝使得產品在封裝時能發揮比陶瓷諧振器外殼更好的耐沖擊性.
.jpg)
| 項目 | 符號 | VT-200-FL | 條件 |
| 標準頻率 | f_nom | 32.768kHz | |
| 頻率公差 | f_tol | ±20×10-6 | |
| 拐點溫度 | Ti | +25 ± 5℃ | |
| 二次溫度系數 | B | (-3.5±0.8)×10-8/℃2 Max | |
| 負載容量 | CL | 3.7pF , 4.4pF , 6.0pF | |
| 串聯電阻 | R1 | 55 kΩ | |
| 最大激勵功率 | DLmax | 0.1 μW | |
| 激勵功率 | DL | 0.01 μW | |
| 并列電容 | Co | 0.9pF | |
| 頻率老化 | f_age | ±5 × 10-6 | 25℃ ± 3℃,第一年 |
| 工作溫度 | T_use | -40℃ ~ +85℃ | |
| 儲存溫度 | T_stg | -40℃ ~ +85℃ | 單品裸存 |
.jpg)



精工的國際品牌【SEIKO】,精工集團創建于1956年,當初地址為櫪木縣小關古城.精工早期主要以鐘表出名,而在1937年注冊新公司命名為精工電子有限公司,主要以石英晶體振子,半導體,電池和材料,晶體振蕩器,噴墨打印機頭,硬盤組件,緊湊型熱敏打印機,小型精密加工零件,小精密電機,機床•FA,大型打印機,音響設備和輻射測量設備等產品.在當時精工總部就設在了:總部千葉市美濱區,千葉縣,中瀨1-8.
.jpg)
石英是由硅原子和氧原子組合而成的二氧化硅(Silicon Dioxide, SiO2), 以32點群的六方晶系形成的單結晶結構﹝圖﹞.單結晶的石英晶體結構具有壓電效應特性, 當施加壓力在晶體某些方向時, 垂直施力的方向就會產生電氣電位. 相對的當以一個電場施加在石英晶體某些軸向時, 在另一些方向就會產生變形或振動現象. 
精工售后服務中心從銷售店回收紐扣式電池,請專業企業分解進行再資源化利用.精工電子有限公司等3家公司,專心致力于推進小形充電式電池的再利用.以和光有限公司,精工表股份有限公司為首,全部業務公司在致力于促進包裝材料的減量化、分類以及再利用的商品表示以外,還根據排放數量承擔再資源化的費用.
電話:0755--27876236QQ:769468702
手機:13590198504
郵箱:zhaoxiandz@163.com
網站:http://www.uanxin.cn/
地址:深圳市南山南頭關口8棟









